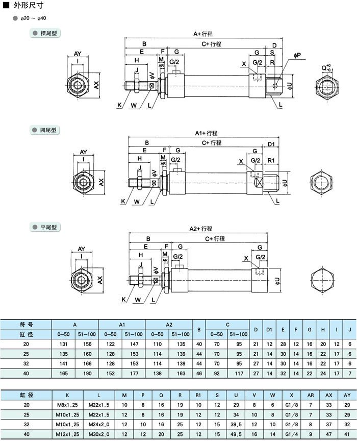
产品展示
TGSM-U-32X75-S,stnc气缸,铝合金气缸,迷你单作用气缸
首页 / 产品中心 / 迷你气缸
产品标题:TGSM-U-32X75-S,stnc气缸,铝合金气缸,迷你单作用气缸
产品ID:VIB20120728111835734
品  牌:STNC索诺天工
所在地:中国 上海
价  格:面议 (大量采购价格面议)
库存状态:货期待查
更新日期:2025-10-8 14:01:58
咨询电话:(+86)021-51699285
咨询Q Q: 2695337323
产品简述

产品特性:
免润滑:采用含油轴承,使活塞杆无需加油润滑
耐久性: 气缸钢管经氧化处理,前后盖经电泳处理,不仅具有耐磨性,耐腐蚀性及耐久性,而且更显外观小巧,精美。
安装型式多样:多种安装附件供客户选择。

产品详情