| 产品标题:3L210-08,3L310,阀-手控阀 产品ID:VIB20120523214255734 品 牌:CKT 西克迪 所在地:中国 上海 价 格:面议 (大量采购价格面议) 库存状态:货期待查 更新日期:2025-10-24 14:32:12 咨询电话:(+86)021-51699285 咨询Q Q: 2695337323 |
3L210-08,3L310,阀-手控阀
产品简介:
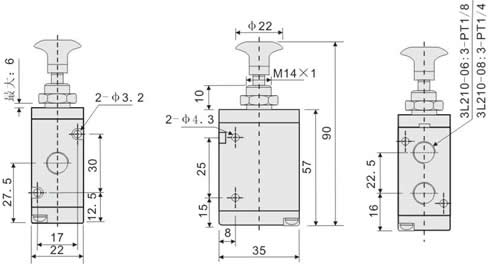
订购代码
规格
|
型 号 |
3L210-06 |
3L210-08 |
|
工作介质 |
空气(经40微米虑网过滤) | |
|
作动方式 |
直动式 | |
|
工作温度 |
-5~60℃ | |
|
使用压力范围 |
0~8.0Kgf/cm2 | |

