021-51699285
首页
关于我们
公司简介
关于品牌
荣誉资质
产品中心
HU系列产品
断路器系列
接触器系列
继电器系列
控制电器系列
开关系列
整流器系列
电磁铁系列
电源电器系列
仪器仪表系列
防雷器系列
配电箱系列
接线端子系列
高压电气元件系列
成套电气系列
新闻中心
公司新闻
行业动态
联系我们
产品展示
C-ZFC200-08-B,真空过滤器
首页
/
产品中心
/
真空过滤器
真空发生器
真空过滤器
产品标题:C-ZFC200-08-B,真空过滤器
产品ID:
VIB20120424010412734
品 牌:
CKT 西克迪
所在地:中国 上海
价 格:面议 (大量采购价格面议)
库存状态:
货期待查
更新日期:2025-10-3 4:44:32
咨询电话:(+86)021-51699285
咨询Q Q:
2695337323
产品简述
C-ZFC200-08-B
真空过滤器
产品详情
产品类别:真空系列 - 真空过滤器
产品名称:C- ZFC系列真空过滤器
产品简介:
型号说明
型号
接管尺寸
流量(l/min)
C-ZFC100-04
φ4
10
C-ZFC100-06
φ6
20
C-ZFC200-06
φ6
30
C-ZFC200-08
φ8
50
规格
使用流体
空气、氮气
使用压力范围
-100至0kPa
最大耐压
0.5MPa
过滤精度
10μm
使用环境及流体温度
0~60℃
滤芯耐压差
0.15MPa
适合插管材料
尼龙、软尼龙、PU软管、极软PU管
真空系统应用
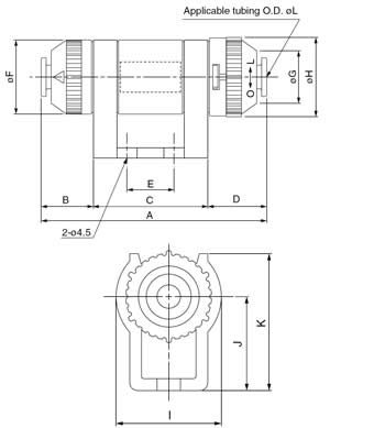
外型尺寸
产品型号
双作用气缸 DSEU-50-100-P-A
双作用气缸 DSEU-50-125-P-A
双作用气缸 DSEU-50-160-P-A
双作用气缸 DSEU-50-200-P-A
右端板 CPV14-EPR-EU
本地控制器 DLP-VSE-2
本地控制器 DLP-VSE-2-ASI
本地控制器 DLP-VSE-2-5/2-C
本地控制器 DLP-VSE-2-5/2-O
本地控制器 DLP-VSE-3
本地控制器 DLP-VSE-3-5/3-G
本地控制器 DLP-VSE-3-5/3-G-ASI
本地控制器 DLP-VSE-3-5/3-G-DP
电磁阀套件 CPV10-M1H-2X3GLS-5/3G-M7
前一页
C-ZFC200-06-B,真空过滤器
后一页
C-ZFC200-06-B,真空过滤器
产品中心
更多产品
MORE+
C-ZFC100-04,真空过滤器
C-ZFC200-06,真空过滤器
C-ZFC200-08-B,真空过滤器
C-ZFC200-08,真空过滤器
C-ZFC100-06-B,真空过滤器
C-ZFC200-06-B,真空过滤器
C-ZFC100-06,真空过滤器
C-ZFC100-04-B,真空过滤器
双作用气缸 DSEU-32-250-P-A
双作用气缸 DSEU-32-320-P-A
双作用气缸 DSEU-40-25-P-A
双作用气缸 DSEU-40-40-P-A
电话:
021-51699285
传真:
021-51698592
手机:
13611905823
地址:上海市宝山区恒高路127弄6号楼2202室
首 页
关于我们
公司简介
品牌介绍
企业荣誉
产品中心
HU系列产品
断路器系列
接触器系列
继电器系列
控制电器系列
开关系列
整流器系列
电磁铁系列
电源电器系列
仪器仪表系列
防雷器系列
配电箱系列
接线端子系列
高压电气元件系列
成套电气系列
新闻中心
公司新闻
行业动态
联系我们