021-51699285
首页
关于我们
公司简介
关于品牌
荣誉资质
产品中心
HU系列产品
断路器系列
接触器系列
继电器系列
控制电器系列
开关系列
整流器系列
电磁铁系列
电源电器系列
仪器仪表系列
防雷器系列
配电箱系列
接线端子系列
高压电气元件系列
成套电气系列
新闻中心
公司新闻
行业动态
联系我们
产品展示
NSQ系列塑壳互感器
首页
/
产品中心
/
塑壳互感器系列
塑壳互感器系列
0.5KV母线式电流互感器
0.5KV树脂浇注式互感器
LYM-0.5系列大电流母排式互感器
0.5干式电压互感器
零序互感器
限流电抗器
BLZ-1K系列直流互感器
HL23-1系列仪用互感器
智能控制器
电机软启动器
特殊(特种)电流互感器
霍尔电流传感器
钳型互感器
微型精密互感器
矿用真空馈电开关用互感器
10KV干式电流互感器
35KV干式电流互感器
10KV-35KV系列高压计量箱
6KV-35KV油浸式电压互感器
10KV-35KV油浸式电流互感器
10KV-35KV(户外)干式电压互感器
10KV-35KV(户内)干式电压互感器
放电线圈(油浸式放电线圈、干式户内放电线圈)
三相抗谐振电压互感器
产品标题:NSQ系列塑壳互感器
产品ID:
VIB20100104143520734
品 牌:
ANGESUN互感器
所在地:中国 上海
价 格:面议 (大量采购价格面议)
库存状态:
货期待查
更新日期:2025-10-31 9:51:05
咨询电话:(+86)021-51699285
咨询Q Q:
2695337323
产品简述
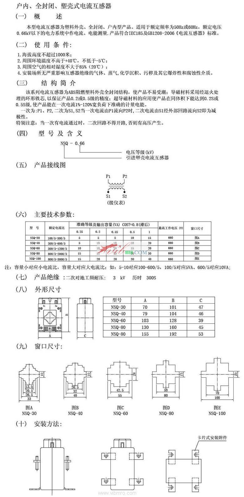
NSQ系列塑壳互感器
产品详情
产品型号
双作用气缸 DSEU-32-25-P-A-MA
双作用气缸 DSEU-32-40-P-A-MA
双作用气缸 DSEU-32-50-P-A-MA
双作用气缸 DSEU-32-80-P-A-MA
双作用气缸 DSEU-32-100-P-A-MA
双作用气缸 DSEU-32-125-P-A-MA
双作用气缸 DSEU-32-160-P-A-MA
双作用气缸 DSEU-32-200-P-A-MA
双作用气缸 DSEU-32-250-P-A-MA
双作用气缸 DSEU-32-320-P-A-MA
双作用气缸 DSEU-40-25-P-A-MA
双作用气缸 DSEU-40-40-P-A-MA
双作用气缸 DSEU-40-50-P-A-MA
双作用气缸 DSEU-40-80-P-A-MA
前一页
LQG-0.66系列塑壳互感器
后一页
LQG-0.66系列塑壳互感器
产品中心
更多产品
MORE+
LM-0.5系列母线式电流互感器
LJM-1母排式(零序)电流互感器
JSJW-6(油浸)电压互感器
LJZ-Φ65浇注式(零序)电流互感器
JDZ-10Q(干式)全工况电压互感器
AM(DM)系列塑壳互感器
LQG-0.66系列塑壳互感器
LZZBJ71-12(干式)户外、全封闭电流互感器
传感器条 BSL-HMP- 16- 50
安装组件 BB-TLF-DGPL-50-1-B
安装组件 BB-TLF-DGPL-50-2-B
安装组件 BB-TLF-DGPL-63-1-B
电话:
021-51699285
传真:
021-51698592
手机:
13611905823
地址:上海市宝山区恒高路127弄6号楼2202室
首 页
关于我们
公司简介
品牌介绍
企业荣誉
产品中心
HU系列产品
断路器系列
接触器系列
继电器系列
控制电器系列
开关系列
整流器系列
电磁铁系列
电源电器系列
仪器仪表系列
防雷器系列
配电箱系列
接线端子系列
高压电气元件系列
成套电气系列
新闻中心
公司新闻
行业动态
联系我们